| 구 분 | 국가식품클러스터 |
|---|---|
| 위 치 | 왕궁면 푸드폴리스로 11길22 |
| 운영현황 | 「익산시 공공하·폐수처리시설 단순관리대행 용역」 대행기간 : 2020. 1. ~ 2022. 8. 대행업체 : 환경시설관리(주), (유)대신환경개발 |
| 처리구역 | 국가식품클러스터 산업단지 (2,321,971㎡) |
| 처리용량 | 5,000㎥/일 |
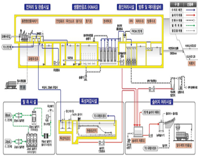
| 처리공법 | KIMAS(분리막) + IPR(총인) |
| 부대시설 | 오·폐수관거 13.8㎞ |
| 사업기간 | 2015. 4. 21. ~ 2019. 12. 31. |


| 구 분 | 시설의 개요 |
|---|---|
| 종합협잡물처리기 | 일체형 바스켓드럼 스크류프레스형 7,500㎥/일×2조 |
| 독성저감조 | 장방형, 3.2mW×3.2mL×3.0mH(2.5mHe)×2조 |
| 완충침전지 | 장방형, 10.0mW×6.7mL×5.5mH(4.0mHe)×1조 |
| 제1유량조정조 | 장방형, 14.4mW×7.2mL×5.5mH(5.0mHe)×1조 |
| 제2유량조정조 | 장방형, 14.4mW×7.2mL×5.5mH(5.0mHe)×1조 장방형, 7.2mW×5.8mL×5.5mH(5.0mHe)×1조 |
| 안정화조 | 장방형, 1.5mW×7.0mL×5.5mH(5.0mHe)×2조 |
| 무산소조 | 장방형, 6.7mW×7.0mL×5.5mH(5.0mHe)×2조 |
| 혐기조 | 장방형, 3.1mW×7.0mL×5.5mH(5.0mHe)×2조 |
| 호기조 | 장방형, 11.6mW×7.0mL×5.5mH(4.8mHe)×2조 |
| 분리막조 | 장방형, 21.5mW×2.55mL×5.5mH(4.8mHe)×2조 |
| 총인처리시설 | 장방형, 4.3mW×4.3mL×5.5mH(5.2mHe)×2조 |
| 역세침전지 | 장방형, 3.4mW×3.4mL×5.2mH(3.8mHe)×1조 |
| 처리수조 | 장방형, 4.3mW× 3.4mL×5.2mH(4.8mHe)×1조 |
| 방류조 | 장방형, 2.8mW×3.2mL×5.2mH(4.8mHe)×1조 |
| 상징수조 | 장방형, 1.2mW×3.2mL×5.2mH(4.8mHe)×1조 |
| 슬러지저류조 | 장방형, 3.8mW×3.45mL×4.4mH(4.2mHe)×2조 |
| 농축탈수기 | 다중원판 농축 탈수기, 161.6㎥/일(1,2단계) |
| 케익호퍼 | 유압개폐식 각형호퍼, 15㎥ |
| 탈취시설 | 고농도 탈취기: 바이오 필터, 85N㎥/min
중농도 탈취팬: 터보팬, 160N㎥/min 임핀젯 스크러버: 160N㎥/min 저농도 탈취기: 플라즈마(INDUCT형), 160N㎥/min |
| 건축물 | 관리동(지상1,2층), 사무실, 통제실, 실험실, TMS실 회의실, 전기실, 정문 |
| 설비동(지하1,2층), 전처리동, 독성저감조동, 반응조동, IPR조동, 탈수기동, 탈케익호퍼동, 협잡물처리동,탈취설비동, 방류동 |