

| 기 기 명 | 제 원 | 동력 | 수량 | 비 고 |
|---|---|---|---|---|
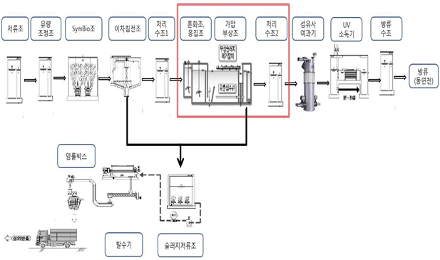
| 협잡물 처리기 | Micro Bar Screen 세목 10㎜, 미세목 2㎜ | 0.4kW | 1대 | 세목 0.2kW 미세목 0.2kW |
| 응집가압부상장치 | PH조정+반응+응집+가압부상장치 W2.5m x L1.21m x H2.4m | 6.85kW | 1식 |
| 기 기 명 | 제 원 | 동력 | 수량 | 비 고 |
|---|---|---|---|---|
| 반응단계판단 및 조절장치 | U.V조사 형광검출방식 | - | 1식 | |
| SymBio조 송풍기 | 로터리 루츠 브로와 1.32㎥/분 x 4000㎜Aq | 3.75kW | 2대 | 예비1대 |
| 기 기 명 | 제 원 | 동력 | 수량 | 비 고 |
|---|---|---|---|---|
| 여과설비 | 공극제어형 섬유사 여과기 40㎥/hr | 7.7kW | 1식 | |
| 소 독 기 | 관로형 자외선(U.V) 소독기 40㎥/hr | 0.6kW | 1식 |
| 기 기 명 | 제 원 | 동력 | 수량 | 비 고 |
|---|---|---|---|---|
| NaOH 저장탱크 | 내식원통형 PE탱크 1㎥ | - | 1대 | |
| NaOH 주입펌프 | 정량 다이아프램펌프 47.6㎖/min x 2㎏/㎠ | 0.2kW | 2대 | 예비1대 |
| Polymer 저장탱크 | 내식원통형 PE탱크 2㎥ | 0.75kW | 1대 | 교반장치 포함 |
| Polymer 주입펌프 | 정량 다이아프램펌프 3.4ℓ/min x 10㎏/㎠ | 0.4kW | 2대 | 예비1대 |
| 기 기 명 | 제 원 | 동력 | 수량 | 비 고 |
|---|---|---|---|---|
| 탈 수 기 | 다중원판 탈수기 15kg‧DS/hr | 7.5kW | 1대 |